- 2022-06-10 20:14:58 熱銷TC4鈦棒 TC4鈦管TC4鈦合金管
- 2022-05-26 07:16:02 巨偉鈦業常年現貨供應鈦合金鍛件 鈦合金管
- 2022-05-21 05:13:01 汽車用TC4鈦合金管 工業用純鈦管 TA18鈦無縫管
- 2022-04-25 06:08:45 巨偉鈦業定制純鈦管 鈦合金管 TC4鈦管
- 2022-04-21 17:22:16 鈦合金板鈦帶的發展現狀與國內外標準
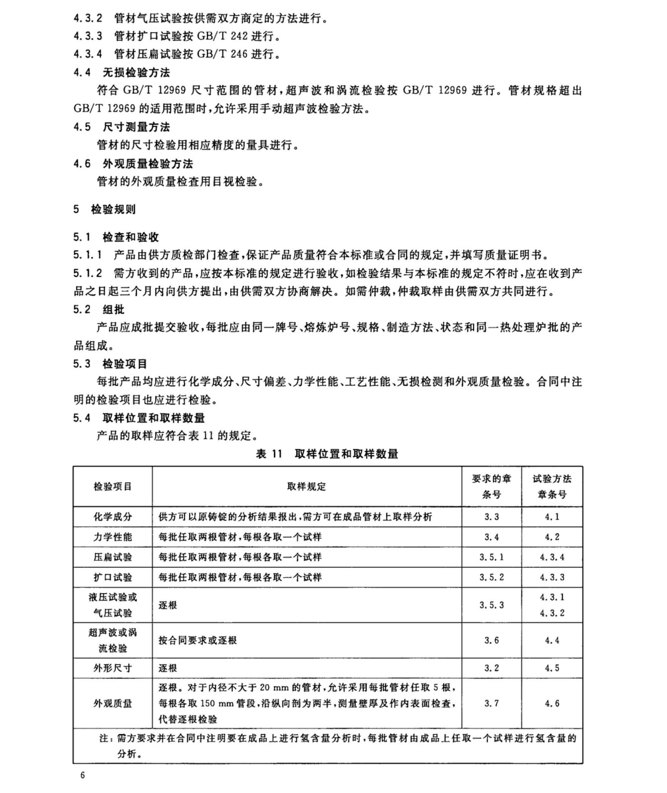
- 2022-04-20 17:11:50 巨偉鈦業定制TC4鈦合金管 鈦焊接管 鈦無縫管
- 2022-04-15 16:13:10 現貨供應TC4鈦合金鍛件 鈦合金管 鈦合金方塊
- 2022-04-12 17:04:21 鈦合金管件焊縫中所產生的具體危害及兩種檢測技術
- 2022-03-31 23:29:35 批量熱銷TC4鈦合金材料 TC4鈦板 TC4鈦鍛件 支持按圖紙定制














